Diesel Fuel Transfer Pump - 35Lpm
From $777.00
Help other Suncity Motorcycles users shop smarter by writing reviews for products you have purchased.
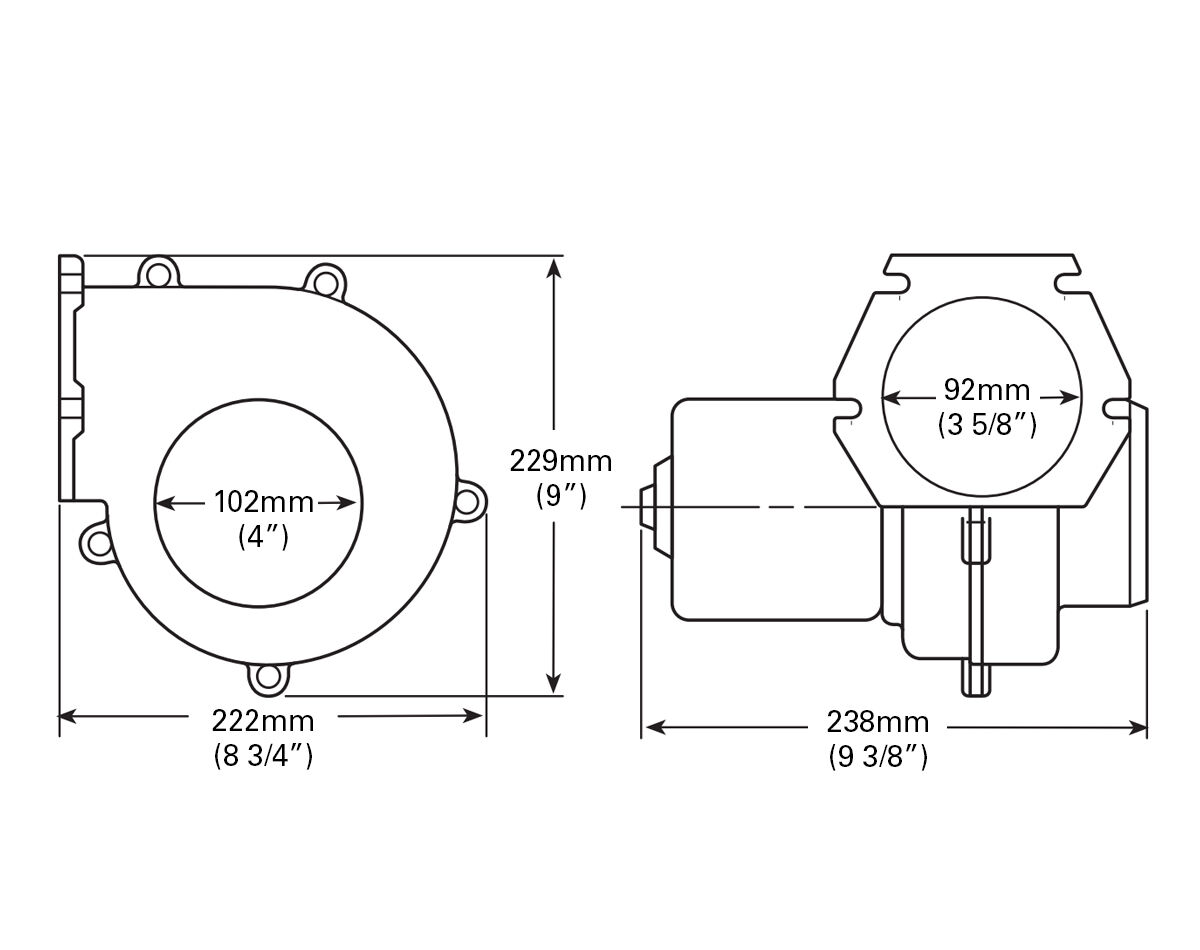
Write A ReviewThis extra heavy duty flange mount blower is designed to remove fumes and petrol vapours from the engine room prior to starting the engine. It can also be used for exhausting warm air from galleys or engine rooms, ventilating odours or steam from heads and general marine air circulation.
Suitable for commercial or high use engine room air intake or extraction where a long life requirement demands a heavy duty motor with long brush life.
Continuously rated extra heavy duty motor with minimum 5,000 hour motor life. Continuous rating means 1 hour on then approx 20 minutes off for motor cool down - depending on ambient temperature.
Features:
| JPW SKU | Voltage | Amps | Fuse Size |
|---|---|---|---|
| J70-202 | 12V | 11A | 15A |
| J70-203 | 24V | 6A | 10A |
Also available with Flex mount (see related products).
| SKU | JPW-P-J70-202 |
| Brand | Jabsco |

