Be The First To Review This Product!
Help other Suncity Motorcycles users shop smarter by writing reviews for products you have purchased.
Write A Review
Help other Suncity Motorcycles users shop smarter by writing reviews for products you have purchased.
Write A ReviewThe world's best-selling marine toilet is now even better! The Jabsco 3000 Twist 'N' Lock manual marine toilet is now safer, stronger, performs better, is better looking and easier to maintain.
With an easy 90° turn of the handle, its twist 'n' lock action handle locks the system and guards against siphoning, flooding and waste backflow.
Featuring a durable white enamel wooden seat and lid, which provides the same sort of comfort you are used to at home.
It boasts crevice free-free contours and smooth modlings for added hygiene as well as corrosion-resistant materials for fresh or salt water service.
Two sizes are available: standard compact bowl or large regular bowl.
Features:
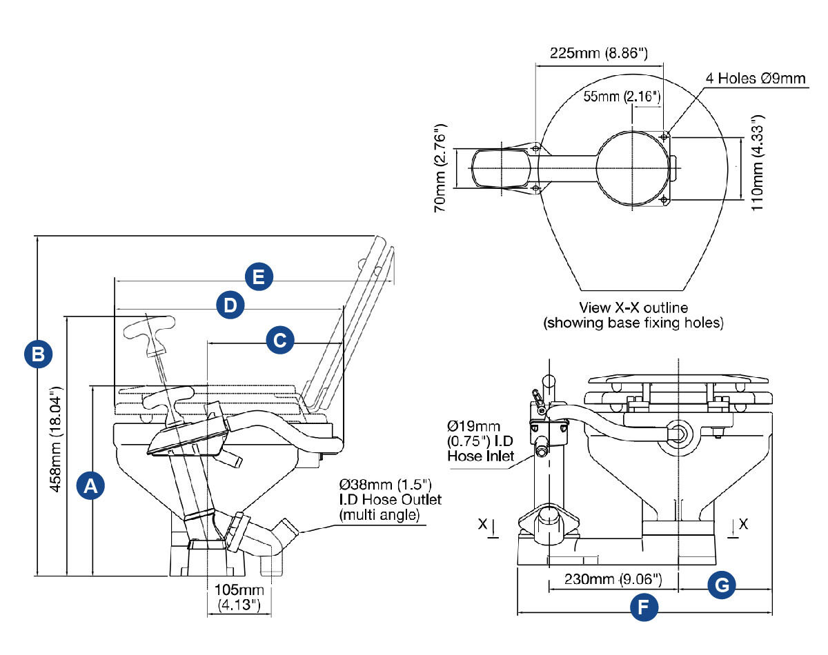
For more specifications, installation guides and servicing instructions, locate the data sheet under the "Downloads" tab.
| JPW SKU | Bowl Size | Dimensions - see diagram within images (mm) | ||||||
|---|---|---|---|---|---|---|---|---|
| A | B | C | D | E | F | G | ||
| J10-100 | Standard (Compact) | 335 | 615 | 247 | 425 | 485 | 450 | 165 |
| J10-102 | Large (Regular) | 345 | 700 | 280 | 490 | 580 | 465 | 180 |
| SKU | JPW-P-J10-100 |
| Brand | Jabsco |

