Hydraulic Copper Ferrules
From $0.41
Help other Suncity Motorcycles users shop smarter by writing reviews for products you have purchased.
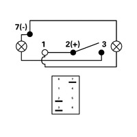
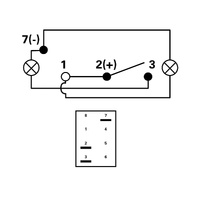
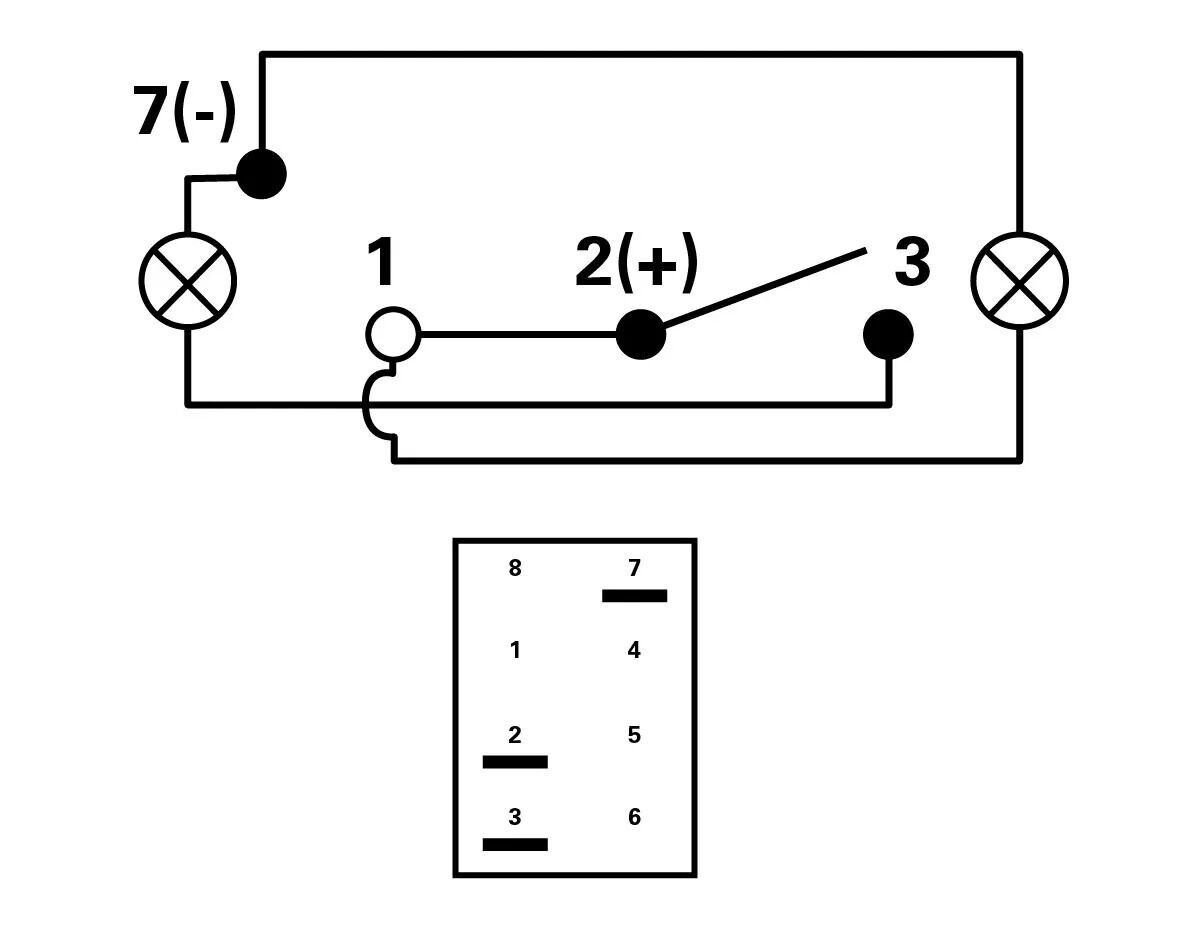
Write A ReviewWater resistant LED illuminated sealed rocker switch with Bilge Blower laser etched actuator cover.
Switch Action: ON-OFF
Dual voltage equipped with durable and power efficient LED lamps.
Features:
| SKU | JPW-P-JPW12552 |
| Brand | JPW Marine |

