Starter Relay Solenoid - Assorted Models
$39.89 RRP $41.99
On Sale
5% OFF
Help other Suncity Motorcycles users shop smarter by writing reviews for products you have purchased.
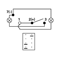
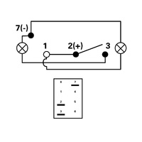
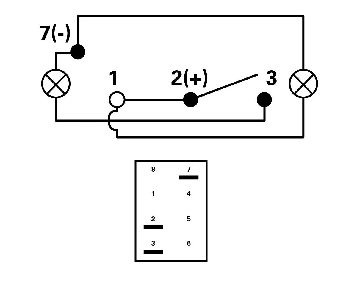
Write A ReviewWater resistant LED illuminated sealed rocker switch with Underwater Light laser etched actuator cover.
Switch Action: ON-OFF
Dual voltage equipped with durable and power efficient LED lamps.
Features:
| SKU | JPW-P-JPW12532 |
| Brand | JPW Marine |

