Be The First To Review This Product!
Help other Suncity Motorcycles users shop smarter by writing reviews for products you have purchased.
Write A Review
Help other Suncity Motorcycles users shop smarter by writing reviews for products you have purchased.
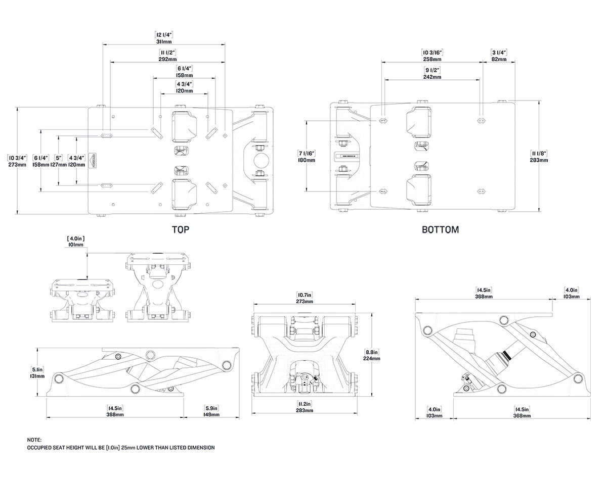
Write A ReviewThe Shockwave S5 Sentinel suspension base provides comfort and safety to boaters, offering them an experience they’ve never had before. It offers a smoother, safer and more comfortable ride, protecting occupants from the shock of wave impact.
Suspension travel is 4-inch vertical and 1.5-inch forward, mitigating deceleration associated with wave impacts. Recreational boaters can now stay out longer and travel farther with less fatigue.
It is easily and quickly installed in virtually any boat and can be mounted on a riser box or a short, stocky pedestal with minimal effort. The maximum occupant weight for the S5 Sentinel Suspension Base is 113kgs (250lbs) on a vessel that sees maximum deck accelerations of 3g’s. For calm waters and deck of accelerations less then 2g’s, a 136kg (300lb) occupant is acceptable.
Please note: A Shock Pump [JPW2989] is necessary in order to operate the S5 Sentinel suspension base (sold separately - see related products).
Features:
Shock Compression Adjustment Settings:
Setting the sag height is designed to be a starting point. To get the most out of the suspension base the shock absorber can be fine-tuned. This is done using a combination of compression and rebound tuning to optimize ride quality as well as for varying sea conditions.
The suspension base comes with a 2 or 3 position blue lever that is designed to make quick adjustments to optimize the performance of the shock absorber in varying sea conditions. You can select three settings:
Rebound Adjustment
Rebound controls the rate of speed at which the shock returns to the sag position after compressing. The rebound adjustment is dependent on the air pressure setting. Higher pressure requires slower rebound settings. Use the procedure below to find the correct rebound setting.
Faster Rebound: In high frequency and small wave activity, a faster rebound can improve your suspension performance. Turning the red rebound adjuster counter-clockwise will make the seat rebound faster.
Slower Rebound: In low frequency and large wave activity, a slower rebound can improve your suspension performance. Turning the red rebound adjuster clockwise will make the seat rebound slower.
| SKU | JPW-P-JPW2939 |
| Brand | Shockwave |
Aquatic AV
(7)
Atlantic Products
(25)
AXIS
(1)
Bennett
(2)
BigVee
(1)
Bluefin LED
(5)
BoatBuckle
(9)
Boatcatch
(1)
Eastsun Marine
(10)
Hella Marine
(1)
Icom Australia
(4)
Inox Supreme Lubricants
(2)
JPW Marine
(33)
Oceansouth
(4)
Quick Nautical Equipment
(3)
Runva
(3)
Scanstrut
(10)
Sherpa Winches
(4)
Shockwave
(6)
Shurflo
(2)
Sirius Signal
(2)
Snap-D
(4)
Star Brite
(4)
Unimer Marine
(5)

