Curved Water Resistant Switch Panels
From $181.13
Help other Suncity Motorcycles users shop smarter by writing reviews for products you have purchased.
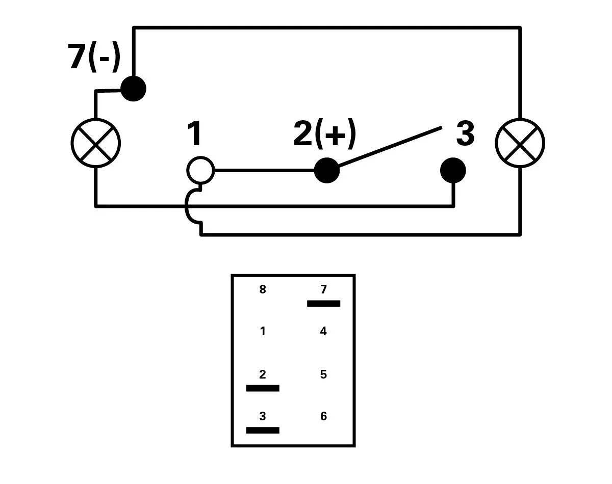
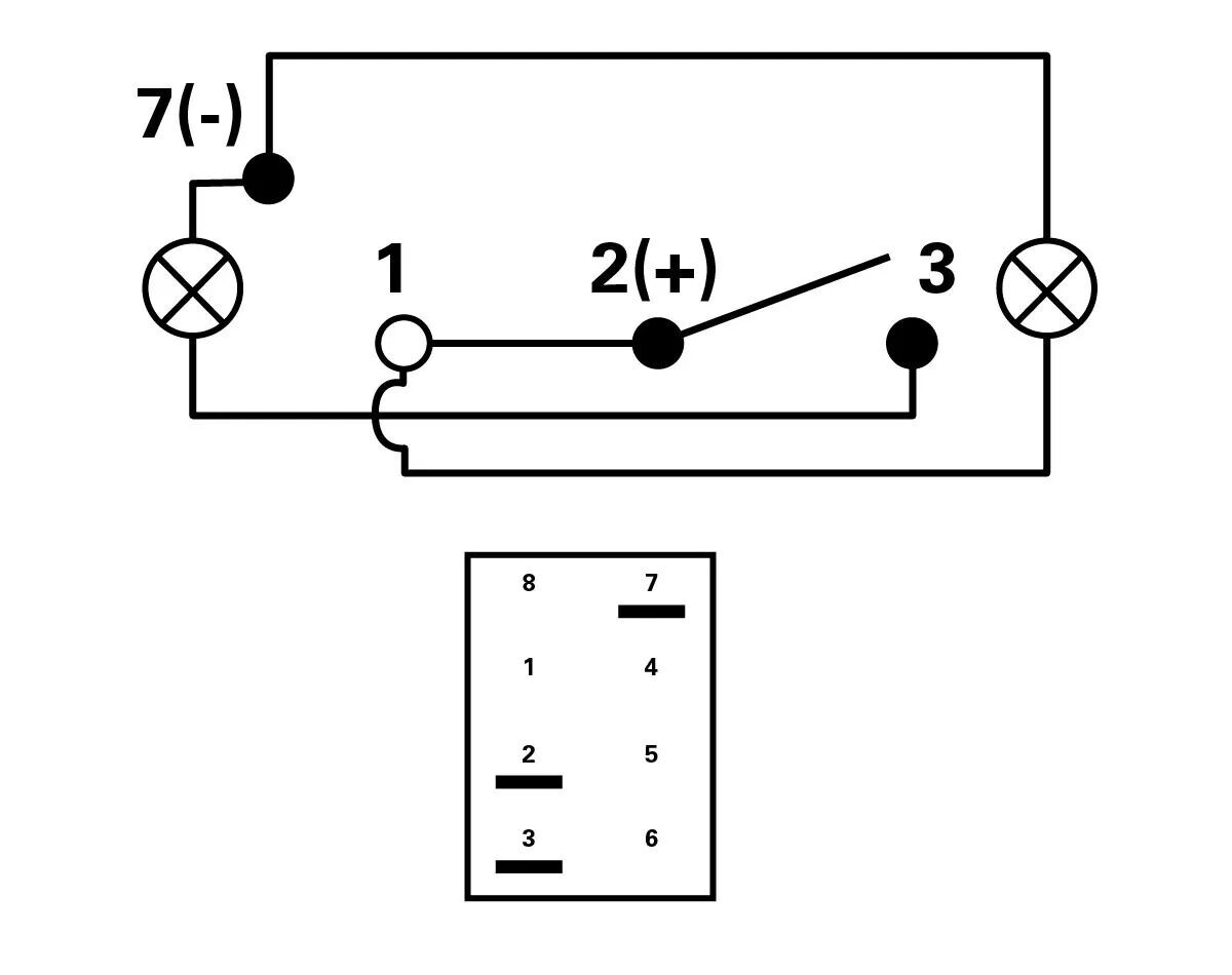
Write A ReviewWater resistant LED illuminated sealed rocker switch with Depth Sounder laser etched actuator cover.
Switch Action: ON-OFF
Dual voltage equipped with durable and power efficient LED lamps.
Features:
| SKU | JPW-P-JPW12568 |
| Brand | JPW Marine |

