Steering Head Gasket KTM #54601184000
$9.68 RRP $12.90
Help other Suncity Motorcycles users shop smarter by writing reviews for products you have purchased.
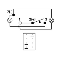
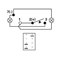
Write A ReviewWater resistant LED illuminated sealed rocker switch with Horn laser etched actuator cover.
Switch Action: Momentary (ON)-OFF
Dual voltage equipped with durable and power efficient LED lamps.
Features:
| SKU | JPW-P-JPW12556 |
| Brand | JPW Marine |

